Product Summary
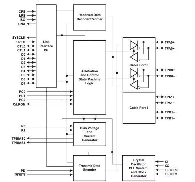
The TSB41AB2 is a two-port cable transceiver/arbiter. The transceivers include circuitry to monitor the line conditions as needed for determining connection status, for initialization and arbitration, and for packet reception and transmission. It supports an optional isolation barrier between itself and its LLC. When the ISO input terminal is tied high, the LLC interface outputs behave normally.
Parametrics
TSB41AB2 absolute maximum ratings: (1)supply voltage range: -0.3 to 4V; (2)input voltage range: -0.5 to VDD+0.5V; (3)Output voltage range at any output: -0.5 to VDD+0.5V; (4)operating free air temperature: 0 to 70℃; (5)storage temperature range: -65 to 150℃; (6)lead temperature: 260℃.
Features
TSB41AB2 features: (1)Industry Leading Low Power Consumption; (2)Ultralow-Power Sleep Mode; (3)Cable Power Presence Monitoring; (4)Cable Ports Monitor Line Conditions for Active Connection to Remote Node; (5)Data Interface to Link Layer Controller Through 2/4/8 Parallel Lines at 49.152 MHz; (6)Interface to Link Layer Controller Supports Low-Cost TI Bus-Holder Isolation and Optional Annex J Electrical Isolation; (7)Interoperable With Link Layer Controllers Using 3.3 V.
Diagrams

| Image | Part No | Mfg | Description |  | Pricing (USD) | Quantity | ||||||||||||
|---|---|---|---|---|---|---|---|---|---|---|---|---|---|---|---|---|---|---|
|  |  TSB41AB2 |  Other |  |  Data Sheet |  Negotiable |  | ||||||||||||
|  |  TSB41AB2I |  Other |  |  Data Sheet |  Negotiable |  | ||||||||||||
|  |  TSB41AB2PAP |  Texas Instruments |  Buffers & Line Drivers Two-Port Cable Xcvr/Arbiter |  Data Sheet |  
 |  | ||||||||||||
|  |  TSB41AB2PAPG4 |  Texas Instruments |  Buffers & Line Drivers Two-Port Cable Xcvr/Arbiter |  Data Sheet |  
 |  | ||||||||||||
|  |  TSB41AB2PAPR |  Texas Instruments |  Buffers & Line Drivers Two-Port Cable Xcvr/Arbiter |  Data Sheet |  
 |  | ||||||||||||
|  |  TSB41AB2PAPRG4 |  Texas Instruments |  1394 Interface IC IEEE1394a 2Port Cable Xcvr/Arbiter |  Data Sheet |  
 |  | ||||||||||||
|  |  TSB41AB2IPAP |  Texas Instruments |  Buffers & Line Drivers Two-Port Cable Xcvr/Arbiter |  Data Sheet |  Negotiable |  | ||||||||||||
 (China (Mainland))
 (China (Mainland)) 
                         
                        
 
                                    




