Product Summary
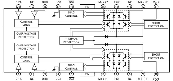
The TA8083F is a dual DC motor driver. It contains two motor driver circuits with a current capacity of 0.5A for directly driving bidirectional DC motors. In addition, the IC also has a low stand by current function, a self-diagnostic function, and various protective functions.
Parametrics
TA8083F absolute maximum ratings: (1)power supply voltage: 30V; (2)input voltage: -0.3 to VCC+0.3V; (3)Power dissipation: 2W; (4)operating temperature: -40 to 110℃; (5)storage temperature: -55 to 150℃; (6)lead temperature: 260℃.
Features
TA8083F features: (1)0.5A bidirectional DC motor driver; (2)two circuits contained; (3)low standby current: 0.1mA; (4)self-diagnostic output; (5)protective functions: thermal-shutdown, short-circuit protection, and over-voltage shutdown; (6)built-in counter electromotive force absorption diodes; (7)HSOP 20pin power flat package.
Diagrams

| Image | Part No | Mfg | Description | ![]() |
Pricing (USD) |
Quantity | ||||
|---|---|---|---|---|---|---|---|---|---|---|
![]() |
![]() TA8083F |
![]() Other |
![]() |
![]() Data Sheet |
![]() Negotiable |
|
||||
| Image | Part No | Mfg | Description | ![]() |
Pricing (USD) |
Quantity | ||||
![]() |
![]() TA8000F |
![]() Other |
![]() |
![]() Data Sheet |
![]() Negotiable |
|
||||
![]() |
![]() TA8000S |
![]() Other |
![]() |
![]() Data Sheet |
![]() Negotiable |
|
||||
![]() |
![]() TA8001S |
![]() Other |
![]() |
![]() Data Sheet |
![]() Negotiable |
|
||||
![]() |
![]() TA8002AS |
![]() Other |
![]() |
![]() Data Sheet |
![]() Negotiable |
|
||||
![]() |
![]() TA8002S |
![]() Other |
![]() |
![]() Data Sheet |
![]() Negotiable |
|
||||
![]() |
![]() TA8003S |
![]() Other |
![]() |
![]() Data Sheet |
![]() Negotiable |
|
||||
(China (Mainland))









