Product Summary
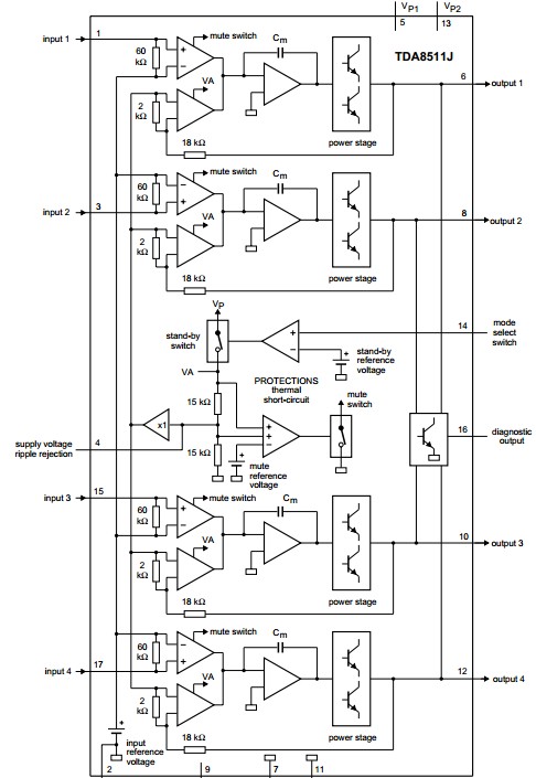
The TDA8511J is a single-ended power amplifier. It contains 4 x 13 W single-ended amplifiers. The device is primarily developed for multi-media applications and active speaker systems.
Parametrics
TDA8511J absolute maximum ratings: (1)supply voltage: 18V; (2)non-repetitive peak output current: 20V; (3)repetitive peak output current: 6A; (4)AC and DC short-circuit current: 4A; (5)reverse polarity: 6V; (6)storage temperature: -55 to 150℃; (7)operating ambient temperature: -40 to 85℃; (8)virtual junction temperature: 150℃.
Features
TDA8511J features: (1)Requires very few external components; (2)High output power; (3)Fixed gain; (4)Diagnostic facility (distortion, short-circuit and temperature detection); (5)Good ripple rejection; (6)Mode select switch (operating, mute and standby); (7)AC and DC short-circuit safe to ground and to VP; (8)Low power dissipation in any short-circuit condition; (9)Thermally protected; (10)Reverse polarity safe; (11)Electrostatic discharge protection; (12)No switch-on/switch-off plop.
Diagrams

| Image | Part No | Mfg | Description | ![]() |
Pricing (USD) |
Quantity | ||||
|---|---|---|---|---|---|---|---|---|---|---|
![]() |
![]() TDA8511J |
![]() Other |
![]() |
![]() Data Sheet |
![]() Negotiable |
|
||||
![]() |
![]() TDA8511J/N2,112 |
![]() NXP Semiconductors |
![]() Audio Amplifiers 4X13W SE |
![]() Data Sheet |
![]() Negotiable |
|
||||
![]() |
![]() TDA8511JU |
![]() NXP Semiconductors |
![]() Audio Amplifiers 4X13W SE |
![]() Data Sheet |
![]() Negotiable |
|
||||
(China (Mainland))










