Product Summary
The STR59041 is a sanken switching regulator hybrid IC.
Parametrics
STR59041 absolute maximum ratings: (1)peak input voltage: 850V; (2)input current: 6A; (3)power dissipation: 27W; (4)operating temperature: -20 to 125℃; (5)storage temperature: -30 to 125℃; (6)junction temperature: 150℃.
Features
STR59041 features: (1)set out voltage: 41.3V; (2)temperature coefficient of output voltage: 2mv/℃; (3)collector saturated voltage: 0.4V; (4)DC current gain: 15V; (5)collector cutoff current: 1mA.
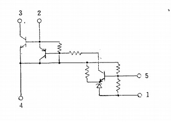
Diagrams

| Image | Part No | Mfg | Description | ![]() |
Pricing (USD) |
Quantity | ||||
|---|---|---|---|---|---|---|---|---|---|---|
![]() |
![]() STR59041 |
![]() Other |
![]() |
![]() Data Sheet |
![]() Negotiable |
|
||||
| Image | Part No | Mfg | Description | ![]() |
Pricing (USD) |
Quantity | ||||
![]() |
![]() STR59041 |
![]() Other |
![]() |
![]() Data Sheet |
![]() Negotiable |
|
||||
(China (Mainland))









