Product Summary
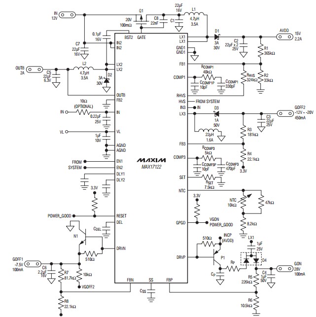
The MAX17122 is a step-up, step-down regulator, gate-on charge pump, and boost-buck regulator for TV TFT LCD display. It can operate from 8V to 16.5V input voltages and is optimized for LCD TV panel applications running directly from 12V regulated supplies. It includes a 22V internal-switch step-down regulator for digital logic, a 22V internal switch stepup regulator to power the TFT source drivers, and a temperature-compensated 36V internal-switch boostbuck regulator that produces a negative output that can vary according to the temperature sensed by an external NTC thermistor. The application of the MAX17122 includes LCD TV panels.
Parametrics
MAX17122 absolute maximum ratings: (1)BST2 to VL: -0.3 to 22V; (2)RMS: 2.4A; (3)Continuous power dissipation: 2857.1mW; (4)operating temperature range: -40 to 85℃; (5)junction temperature: 160℃; (6)storage temperature range: -65 to 165℃; (7)lead temperature: 300℃; (8)soldering temperature: 260℃.
Features
MAX17122 features: (1)8V to 16.5V Operating Range; (2)750kHz Switching Frequency; (3)22V Internal-Switch High-Performance Step-Up Regulator; (4)22V Internal-Switch Step-Down Regulator; (5)36V Internal-Switch Boost-Buck Regulator; (6)Positive Charge-Pump Linear Regulator Controller; (7)Soft-Start for All Outputs; (8)Adjustable Power-Up Sequence; (9)Timed-Output Fault Protection with Restart for All Outputs; (10)Latched Thermal-Shutdown Protection; (11)40-Pin, 6mm x 6mm Thin QFN Package.
Diagrams

| Image | Part No | Mfg | Description | ![]() |
Pricing (USD) |
Quantity | ||||||||||||
|---|---|---|---|---|---|---|---|---|---|---|---|---|---|---|---|---|---|---|
![]() |
![]() MAX17122ETL+T |
![]() Maxim Integrated Products |
![]() LCD Drivers Multiple-Output Power-Supply |
![]() Data Sheet |
![]()
|
|
||||||||||||
![]() |
![]() MAX17122EVKIT+ |
![]() Maxim Integrated Products |
![]() Power Management IC Development Tools MAX17122 Eval Kit |
![]() Data Sheet |
![]()
|
|
||||||||||||
![]() |
![]() MAX17122ETL+ |
![]() Maxim Integrated Products |
![]() LCD Drivers Multiple-Output Power-Supply |
![]() Data Sheet |
![]()
|
|
||||||||||||
(China (Mainland))










