Product Summary
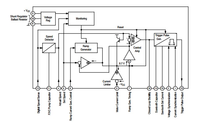
The TDA1085C is a universal motor speed controller having all the necessary functions for universal motor speed control in washing machines. It operates in closed loop configuration and provides two ramp possibilities.
Parametrics
TDA1085C absolute maximum ratings: (1)power supply: 15V; (2)maximum voltage per listed pin: 5V; (3)maximum current per listed pin: -3 to 3mA; (4)maximum power dissipation: 1W; (5)thermal resistance: 65℃/W; (6)storage temperature range: -55 to 150℃.
Features
TDA1085C features: (1)On-Chip Frequency to Voltage Converter; (2)On-Chip Ramps Generator; (3)Soft-Start; (4)Load Current Limitation; (5)Tachogenerator Circuit Sensing; (6)Direct Supply from AC Line; (7)Security Functions Performed by Monitor; (8)Pb-Free Package is Available.
Diagrams

| Image | Part No | Mfg | Description | ![]() |
Pricing (USD) |
Quantity | ||||||||||||
|---|---|---|---|---|---|---|---|---|---|---|---|---|---|---|---|---|---|---|
![]() |
![]() TDA1085C |
![]() ON Semiconductor |
![]() Motor / Motion / Ignition Controllers & Drivers Universal Motor |
![]() Data Sheet |
![]() Negotiable |
|
||||||||||||
![]() |
![]() TDA1085CG |
![]() ON Semiconductor |
![]() Motor / Motion / Ignition Controllers & Drivers Universal Motor Speed Controller |
![]() Data Sheet |
![]()
|
|
||||||||||||
(China (Mainland))









