Product Summary
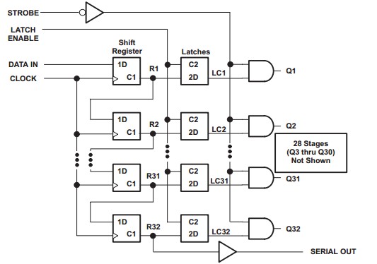
The SN65518FN is a vacuum fluorescent display driver. Serial data output from the shift register may be used to cascade additional devices. This output is not affected by LATCH ENABLE or STROBE. The SN65518FN is characterized for operation from -40 to 85℃. The SN65518FN is characterized for operation from 0 to 70℃.
Parametrics
SN65518FN absolute maximum ratings: (1)supply voltage: 15V; (2)input voltage: VCC1; (3)operating free-air temperature range: -40 to 85℃; (4)storage temperature range: -65 to 150℃; (5)case temperature: 260℃; (6)lead temperature: 260℃.
Features
SN65518FN features: (1)Each Device Drives 32 Lines; (2)60-V Output Voltage Swing Capability; (3)25mA Output Source Current Capability; (4)High-Speed Serially Shifted Data Input; (5)Latches on All Driver Outputs.
Diagrams

(China (Mainland))






